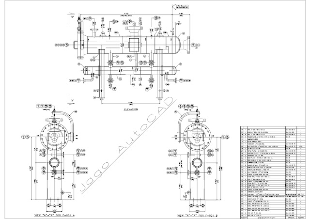
PIPE CAP 14" SCH. XS.
PIPE CAP 6" SCH. XS.
SHELL, PIPE 14" SCH. XS x 1219 LG.
SHELL, PIPE 14" SCH. XS x 533 LG.
SHELL, PIPE 6" SCH. XS. x 960 LG.
SHELL, PIPE 6" SCH. XS. x 792 LG.
FLANGE, 14"-300# RFWN, SCH. XS.
BLIND FLANGE 14 "-300#
GASKET, 14"-300#, q"[3] THK. SPIRAL WOUND SS-304 FLEXITALLIC FILLER NON ASBESTOS "CG" TYPE
STUD BOLT 1 1/8"-UNC X 7"[178] LG. C/W 2 NUTS
HORIZONTAL DAVIT ASS'Y
FLANGE, 6"-300# RFWN, SCH. 80
PIPE, 1" SCH. XXS x 127 LG
STAND PIPE, 1" SCH. XXS X 300 LG.
FLANGE, 2"-300# RFWN, SCH. 160
HALF COUPLING, 1/2"-NPT 6000#
NAME PLATE BRACKET, l. r"[6] THK.
NAME PLATE DATA, PLATE q" [1.6] THK.
SADDLE REPAD, l. y" [9.525] THK.
SUPPORT PLATE, l. 10 THK.
SIDE PLATE, l. 10 THK. X 92 X 918 LG.
BASE PLATE, l. 12 THK. X 128 X 323 LG.
GROUNDING LUG, l. 6 THK.
PARTITION PLATE, l. r" [6.35] THK. x 154 O.D
REPAD PLATE, l. y" [9.525] THK.
LIFTING LUG, l.16 THK
INLET DIVERTER, l.y"[9.525] THK. x 209 x 254 LG.
TUBESHEET, l.y"[9.525] THK.
FILTER SUPPORT ASS'Y
VANEPACK ASS'Y
ROLLED PLATE, l. 10 THK. X 194 I.D X 35 LG.
PIPE, 1" SCH. XXS x 103 LG
ELBOW, 1" SCH. XXS, LR, 90 DEG.
PIPE, 2" SCH. 160 x 100 LG

Komentar
Posting Komentar